熱繼電器是一種電氣元件,用于電機、其他電氣設備和線路的過載保護。繼電器利用電流的熱效應原理,在電機發生不能承受的過載時切斷控制電路,從而為電機提供過載保護。

熱繼電器
由于熱繼電器中的熱元件具有熱慣性,因此無法防止瞬時過載和短路。按相數分,有單相、兩相、三相三種類型。三相熱繼電器常用于三相交流電動機的過載保護,有缺相保護和斷相保護兩種。

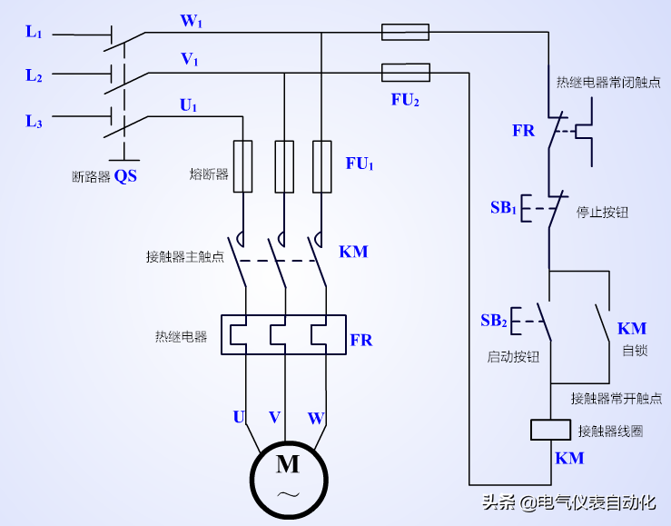
三相電機控制原理圖
1、熱繼電器的結構
熱繼電器的基本結構由加熱元件、觸點系統、動作機構、復位按鈕、電流設定裝置和溫度補償元件組成。
1.1發熱元件是電阻很小的電阻絲,串聯在被保護電機的主電路中。
1.2雙金屬由兩種熱膨脹系數不同的金屬片軋制而成。
1.3設定電流旋鈕可根據電機的工作制度和額定電流選擇;
1.4復位按鈕,過載故障后,冷卻一段時間,按此按鈕復位。復位按鈕可設置為手動或自動位置,一般設置為手動位置。

熱繼電器結構
2、熱繼電器的工作原理
電流通過熱元件產生熱量,使膨脹系數不同的雙金屬片變形。當變形達到一定距離時,推動連桿動作。膨脹系數高的稱為主動層,膨脹系數低的稱為被動層。圖中所示的雙金屬具有上層小的熱膨脹系數和下層大的熱膨脹系數。

熱繼電器雙金屬變形
當電機過載時,流過發熱元件的電流超過設定電流,雙金屬受熱時向上彎曲與扣板分離,產生的機械力驅動常閉觸點斷開。由于熱繼電器的常閉觸點串聯在控制回路中,控制回路的電源會斷開,導致接觸器線圈失電,從而使接觸器主觸點斷開,切斷電機主電路,實現過載保護功能。
繼電器發熱后,雙金屬會冷卻一段時間,按下復位按鈕即可復位。

立即按下熱繼電器的復位按鈕。
3、熱繼電器的雙金屬片
雙金屬的組成是將兩種線膨脹系數不同的金屬片機械軋制成一個整體,其加熱方式如下。
3.1直接受熱式:采用雙金屬片作為發熱元件,讓電流直接通過;
3.2間接受熱式:發熱元件由電阻絲或帶制成,纏繞在雙金屬上,與雙金屬絕緣;
3.3復合受熱式:介于以上兩種方式之間;
3.4電流互感器受熱式:加熱元件不直接串聯連接到馬達電路,而是連接到電流互感器的二次側。它用于電機電流相對較大的場合,以減少通過加熱元件的電流。

熱繼電器
4、熱繼電器的保護特性曲線
通過熱繼電器的過載電流與熱繼電器觸點動作時間的關系稱為熱繼電器的保護特性。在允許溫升的情況下,電機的通電時間與其過載電流的平方成反比。為了適應電動機的過載特性,起到過載保護的作用,要求熱繼電器也要像電動機的過載特性一樣具有反時限特性。

熱繼電器保護特性曲線
考慮到各種誤差的影響,電機的過載特性和熱繼電器的保護特性是一條曲線帶,誤差越大,帶越寬。從安全角度考慮,熱繼電器的保護特性應低于并鄰近電動機的過載特性。當電機過載時,在曲線1下工作是安全的。這樣,當過載發生時,熱繼電器會在電機達到其允許過載之前動作,切斷電機電源,實現過載保護。

熱繼電器
5、熱繼電器的輔助觸點的作用
5.1常閉觸點NC
的常閉觸點組
在電機實際運行中,如拖動生產機械工作時,如果機械異常或電路異常,電機遇到過載,電機轉速會降低,繞組中的電流會增加,電機繞組溫度會升高。如果過載電流小,過載時間短,電機繞組不超過允許溫升,則允許這種過載。
但如果過載時間長,過載電流大,電機繞組的溫升就會超過允許值,使電機繞組老化,縮短電機的使用壽命,嚴重時甚至會燒壞電機繞組。所以這種過載是電機無法承受的。

熱繼電器
5.2常開觸點NO
6.2.1通常將熱繼電器的整定電流調整到電機的額定電流;
6.2.2對于過載能力較差的電動機,熱元件的整定值可調整為電動機額定電流的0.6-0.8倍;
6.2.3用熱繼電器保護長期工作或間歇長期工作的電動機時,一般按電動機的額定電流選用。熱繼電器的整定電流一般為電機額定電流的0.95 ~ 1.05倍或中間值。
6.2.4當電動機長期起動、拖動沖擊負荷或不允許停機時,熱元件的整定電流可調整到電動機額定電流的1.1~1.15倍;
至于一體化電機保護器,熱繼電器其實是最早的電機過載保護器。由于其結構簡單,價格低廉,很快被人們接受和應用。但其本身的保護功能較少,很多情況下無法起到保護作用。而且熱繼電器存在重復性差、大電流過載故障后無法重復使用、調整誤差大等缺陷。

電機綜合保護器
目前,許多電動機保護器已經發展到電子化和數字化時代。與熱繼電器相比,它更加可靠和方便。尤其是在當今提倡節能減排的時期,電機保護器的優勢應該更加突出。不僅節能,而且動作靈敏,精度高。在此之前,重復性好,保護功能齊全,使用壽命長。但相對而言,電機保護器的生產成本要高得多,以至于沒有得到廣泛應用。
然而,淘汰熱繼電器是行業發展的必然趨勢。